上海古松树流胶树体处理技术研究
【类型】期刊
【作者】潘建萍,邹福生,乐笑玮,汤珧华,傅徽楠(上海市绿化管理指导站)
【作者单位】上海市绿化管理指导站
【刊名】上海农业科技
【关键词】 林木梳理剂;古松树;流胶;防治效果
【ISSN号】1001-0106
【页码】P75-76
【年份】2019
【期号】第2期
【摘要】针对古五针松、古白皮松、古雪松等古松树的截口与伤口以及古白皮松的树干都会出现流胶,影响松树生长的问题,用不同浓度的林木梳理剂涂刷古五针松、古白皮松、古雪松的截口与伤口处以及古白皮松的树干,进行了古松树树体处理技术研究。结果表明:浓度为50%和80%的林木梳理剂都能有效防治古五针松、古雪松的截口与伤口流胶,2种药剂配比浓度间防效无差异;浓度为50%和80%的林木梳理剂能有效防治古白皮松的截口、伤口及树干流胶,但浓度为80%的林木梳理剂的防效优于浓度为50%的林木梳理剂。
【全文】 文献传递
上海古松树流胶树体处理技术研究
摘 要:针对古五针松、古白皮松、古雪松等古松树的截口与伤口以及古白皮松的树干都会出现流胶,影响松树生长的问题,用不同浓度的林木梳理剂涂刷古五针松、古白皮松、古雪松的截口与伤口处以及古白皮松的树干,进行了古松树树体处理技术研究。结果表明:浓度为50%和80%的林木梳理剂都能有效防治古五针松、古雪松的截口与伤口流胶,2种药剂配比浓度间防效无差异;浓度为50%和80%的林木梳理剂能有效防治古白皮松的截口、伤口及树干流胶,但浓度为80%的林木梳理剂的防效优于浓度为50%的林木梳理剂。
关键词:林木梳理剂;古松树;流胶;防治效果
松树体内有树脂道,可产生松脂,在正常情况下,树脂道产生的松脂不会溢出,但古松树因生长时间长,产生了枯枝,而枯枝修剪后都会留下截口(一般古松树会出现3~5处截口甚至更多,有时树体还会出现伤口),若古松树树体上有伤口或修剪后的截口,则会出现从伤口或截口处流出胶状松脂的现象,即流胶[1-6];此外,古白皮松的树干也会出现流胶。流胶会影响古松树的生长,因而需对古松树的树体进行相关处理。为此,笔者进行了上海古松树流胶树体处理技术研究,现将相关结果报道如下。
1 材料与方法
1.1 试验材料
试验古松树树种为位于青浦、徐汇、长宁、嘉定等区的白皮松、五针松、雪松等古树(见表1),合计流胶伤口与截口共107处、古白皮松树干17株。
试验药剂为林木梳理剂,用水配制成浓度为50%和80%两种试验溶液。
1.2 试验方法
2014年5月中下旬选择晴天或阴天,对试验古松树的伤口或截口涂刷配制好的林木梳理剂溶液,同时也对古白皮松树体主干3 m以下处涂刷相应浓度的林木梳理剂溶液。涂刷前先用抹布净化树体,清除伤口或截口、树干处的杂物等后,开始涂刷;伤口或截口涂药为涂满药剂为止,古白皮松树干涂药为从上至下刷3遍。
2 结果与分析
2.1 古松树伤口或截口流胶治愈情况
涂刷后14 d,调查统计古松树伤口或截口流胶治愈情况。由表2可知,古五针松、古雪松相对于古白皮松,流胶伤口或截口更容易被治愈,古五针松和古雪松的治愈率达100%。古白皮松中,用浓度为80%的林木梳理剂处理的流胶截口与伤口,除编号为0530古白皮松的5个截口中,有1个大截口由原来整个截面流胶变为星星点点流胶外,其余截口涂刷后流胶现象得到控制,不再流胶,合计治愈率为96.97%;用浓度为50%的林木梳理剂处理的流胶截口与伤口,流胶截口与伤口数量由18个变为5个,治愈率为72.22%,其中继续流胶的是:编号为0533古白皮松的5个流胶截口与伤口中,有2个大截口由原来整个截面流胶变为星星点点流胶;编号为0534古白皮松的4个流胶截口与伤口中,有2个大截口由原来整个截面流胶变为少数点状流胶;编号为0528古白皮松的2个流胶截口中,有1个截口由原来整个截面流胶变为少数点状流胶。
表1 古松树生长地点、数量与试剂浓度

注:括号中的数字为处理后继续流胶的伤口或截口数量。
编号0515 0519 1587 1588 1589 04-035 04-044 0551 0552 0553 0555 0564 0563 0533 0534 0535 0537 0538 0539 0540 0545 0530 0531 0536 0541 0542 1595 0528 0529 04-006树种雪松雪松雪松雪松雪松雪松雪松五针松五针松五针松五针松五针松五针松白皮松白皮松白皮松白皮松白皮松白皮松白皮松白皮松白皮松白皮松白皮松白皮松白皮松白皮松白皮松白皮松白皮松生长地点安亭别墅漕溪北路西郊宾馆西郊宾馆西郊宾馆桂林公园康健公园吴兴路81号桂林公园安福路复兴西路140号岳阳路145号西郊宾馆吴兴路81号吴兴路81号斜土路2421号岳阳路170弄岳阳路170弄岳阳路170弄岳阳路170弄武康路280弄长宁区少年宫长宁区少年宫淮海西路455西郊宾馆虹桥路2419号虹桥路2419号青浦曲水园青浦曲水园龙华路2887号流胶伤口或截口数量/个6 5 6 5 8 4 4 3 4 2 3 2 4 5(2) 4(2) 3 4 3 3 4 2 5 2 2 4 2 2 2(1) 3 1试剂浓度/% 80 80 50 50 80 80 80 80 80 80 50 50 50 50 50 80 80 80 80 80 80 80 50 80 50 50 50 50 80 50
试验结果表明,对古五针松和古雪松,浓度为50%和80%的林木梳理剂都能有效防治截面伤口流胶;对古白皮松,浓度为50%和80%的林木梳理剂也能有效防治截面伤口流胶,但浓度为80%的林木梳理剂的防效更好。
表2 古松树伤口或截口流胶治愈情况

药剂浓度为80%树种药剂浓度为50%五针松雪松白皮松处理伤口或截口数/个9 27 33不流胶伤口或截口数/个9 27 32治愈率/ % 100 100 96.97处理伤口或截口数/个9 11 18不流胶伤口或截口数/个9 11 13治愈率/ % 100 100 72.22
2.2 古白皮松树干流胶治愈情况
古白皮松树每年会脱落1次树皮,脱落时树皮与枝干的连接处易形成伤口,而伤口处容易出现胶体流出物,即出现树干流胶。2015年4月下旬,对古白皮松树的生长情况和树干流胶情况在2003年的基础上进行了再次调查,把树干流胶等级分为严重、较严重、一般和较轻四个等级。具体标准为:严重为流胶量占树总面积的30%以上;较严重为流胶量占树总面积的20%~30%;一般为流胶量占树总面积的10%~20%;较轻为流胶量占树总面积的10%以下。
由表3可知,2003年流胶严重的古白皮松有6株,较重的有5株,一般的有3株,较轻的有2株;2015年流胶严重的有3株,较重的有1株,一般的有5株,较轻的有8株。流胶严重的由6株减少到3株,减少了3株,其原因是编号为0535古白皮松在2013、2014年连续2年涂刷过林木梳理剂,编号为0528、0529古白皮松在2014年涂刷过林木梳理剂;流胶较重的由5株减少为1株,减少了4株,其原因是它们在2013、2014年连续2年涂刷过林木梳理剂。
表3 古白皮松树干流胶情况

古树编号0533 0534 0535 0537 0538 0539 0540 0545 0530 0531 0536 0541 0542 1595 0528 0529 04-006 2015年流胶情况较轻较轻较轻一般一般较轻较轻较轻较轻严重严重较重严重一般一般一般较轻2003年流胶情况较重较重严重较重较重一般一般较轻较轻严重严重较重严重一般严重严重-
2015年5月中旬,对上述古白皮松树干涂刷不同浓度的林木梳理剂,6月上旬,对树干流胶治愈情况进行调查记录。由表4可知,浓度为50%和80%的林木梳理剂都能有效防治古白皮松树干流胶。涂刷浓度为50%的林木梳理剂的7株古白皮松树干中,有3株原流胶较轻或一般的古白皮松在树干涂刷后不再流胶,另外4株虽然还在流胶,但均是较轻。涂刷浓度为80%的林木梳理剂的10株古白皮松树干中,有9株原流胶较轻或一般的古白皮松在树干涂刷后不再流胶,另外1株虽然还在流胶,但是较轻。
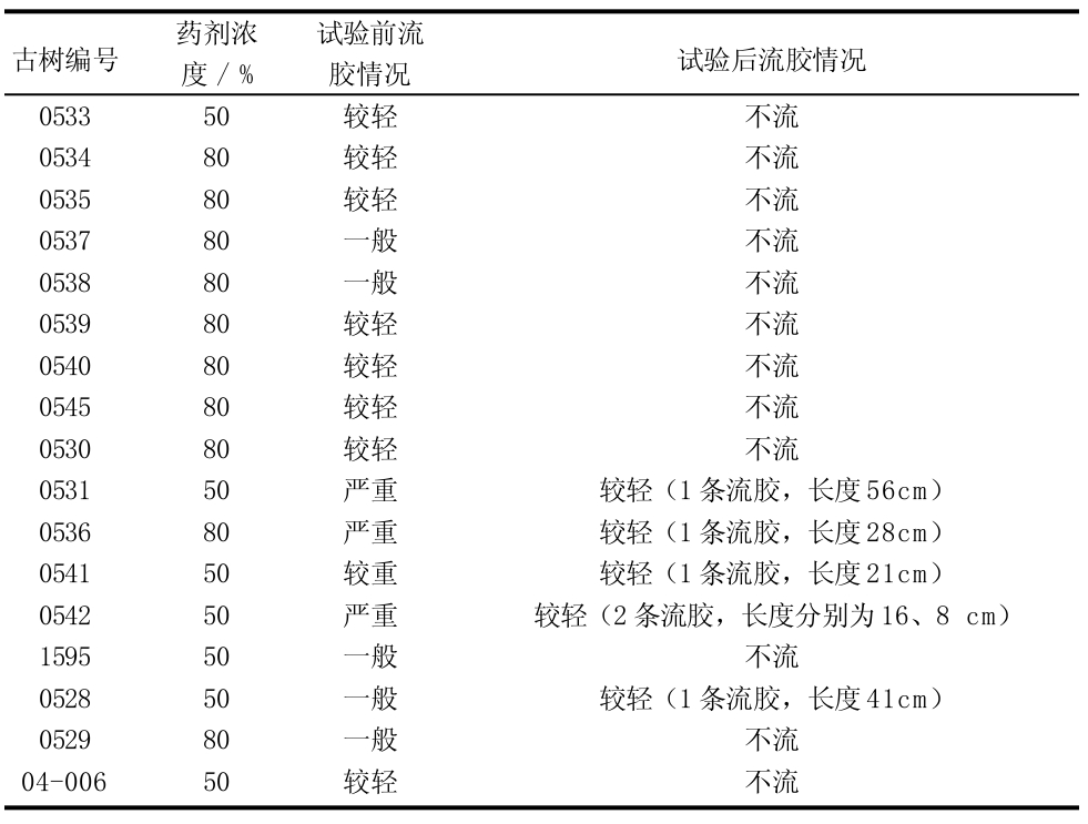
表4 古白皮松树干流胶治愈情况

古树编号0533 0534 0535 0537 0538 0539 0540 0545 0530 0531 0536 0541 0542 1595 0528 0529 04-006药剂浓度/% 50 80 80 80 80 80 80 80 80 50 80 50 50 50 50 80 50试验前流胶情况较轻较轻较轻一般一般较轻较轻较轻较轻严重严重较重严重一般一般一般较轻试验后流胶情况不流不流不流不流不流不流不流不流不流较轻(1条流胶,长度56cm)较轻(1条流胶,长度28cm)较轻(1条流胶,长度21cm)较轻(2条流胶,长度分别为16、8 cm)不流较轻(1条流胶,长度41cm)不流不流
试验结果表明,涂刷浓度为50%和80%的林木梳理剂都能有效防治古白皮松树干流胶,但浓度为80%的林木梳理剂的防效优于浓度为50%的林木梳理剂。
3 结 论
试验结果表明,浓度为50%和80%的林木梳理剂都能有效防治古五针松、古雪松的截口与伤口流胶,2种药剂配比浓度间防效无差异;浓度为50%和80%的林木梳理剂能有效防治古白皮松的截口、伤口及树干流胶,但浓度为80%的林木梳理剂的防效优于浓度为50%的林木梳理剂。
参考文献:
[1] 聂雅萍,刘敬,杨增星.昆明黑龙潭公园古梅现状及应用[J].北京林业大学学报,2010(增刊2):227-230.
[2] 刘长海,南征,吕婷,等.山地苹果园大型土壤动物与土壤因子关系分析[J].生态科学,2014,33(4):769-773.
[3] 王天,林谨,王维奇,等.闽江河口湿地植物与土壤灰分及其影响因子分析[J].生态科学,2010,29(3):268-273.
[4] 李锦龄.北京松柏类古树濒危原因及复壮技术的研究[J].北京园林,2001(1):24-31.
[5] 尤扬,张晓云,刘晓杰,等.卫辉市区古树名木现状调查及保护探讨[J].河南科技学院学报(自然科学版),2012,40(5):13-18.
[6] 张树民.古树名木衰弱诊断及抢救技术[J].中国城市林业, 2012,10(5):40-43.
收稿日期:2016-12-12

